Rangkaian Driver (Penggerak) PlayBack TV marommuhammad 5:55 PM 1 comments Driver (Penggerak) PlayBack TV This is an efficient flyback driver for modern cylindrical rectified television flybacks. Frequency range ca...
Rangkaian Kontrol Motor DC Sederhana marommuhammad 4:02 PM 0 comments Kontrol Motor DC Sederhana The following is a circuit that can be used to control the dc motor rotation direction. S1 and S2 are normally ...
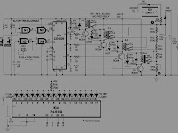
CAN-Servo Controller marommuhammad 6:58 PM 0 comments This dsPIC30F4011-based servo (position) controller receives commands via a CAN. If a DC motor does not have a rotary encoder, you can plug...
Sensor Warna TCS230. marommuhammad 9:55 AM 0 comments Sensor Warna TCS230 TCS230 color senso r is a converter IC to the frequency of light colors. There are two main components of this IC maker...
Video Lecture Series on Robotics - Electric Actuators and Actuators - Electric, Hydraulic, Pneumatic marommuhammad 7:07 AM 0 comments Lecture Series on Robotics by Prof.C.Amarnath, Department of Mechanical Engineering,IIT Bombay. Lecture Robotic Electric Actuators Lecture R...
Fungsi Dan Karakteristik Photodioda BPW41N marommuhammad 1:47 PM 0 comments Fungsi Dan Karakteristik Photodioda Photodioda often used as a catcher of light waves emitted by the Infrared. The amount of voltage or elec...
Gelang Warna (Nilai) Resistor marommuhammad 12:34 PM 0 comments Gelang Warna (Nilai) Resistor Resistor is the basic electronic components used to limit the amount of current flowing in one circuit. As the...
Rumus Mengitung Nilai Resistor Seri|Paralel marommuhammad 10:56 AM 0 comments Resistor Basically, all materials have resistive properties but some materials such as copper, silver, gold and metal materials generally ha...
Rangkaian Power Supplay marommuhammad 9:16 AM 0 comments Electronic devices should be powered by direct current supply DC (direct current) which is stable in order to work properly. The battery or...
1.25V-15.19V Regulator/Adaptor Variabel Digital marommuhammad 2:29 PM 0 comments Rangkaian Regulator / Adaptor Variabel Digital This is a series regulator with variable output from the digital 1.25V to 15.19V The first s...
Rangkaian Speedometer Digital marommuhammad 1:18 PM 0 comments Speedometer Digital This circuit serves to show the speed of the vehicle in kmph. An opaque disc is mounted on the spindle attached to the f...
Rangkaian Osilator Berbasis Kristal marommuhammad 10:34 AM 0 comments This is circuit for accurate time-base generation using the readily available 3.5795MHz crystal commonly used in telecommunication equipment...
Lecture Series on Robotics - Industrial,Parallel,Gripper Manipulators and its Kinematics marommuhammad 4:56 PM 0 comments Lecture Series on Robotics by Prof.C.Amarnath, Department of Mechanical Engineering,IIT Bombay. Lecture Video Industrial Manipulators and it...
Rangkaian Pre-Amp Mic Condenser marommuhammad 1:09 PM 0 comments Pre-Amp Mic Condenser Microphone amplifier circuit is simple, consisting of 2 levels. with wide dynamic regions, small noise, and can with a...
Rangkaian Boster Radio Penerima FM marommuhammad 10:46 AM 0 comments Boster Radio Penerima FM Here is a simple circuit of an FM booster that can be used to listen to programmes from distant FM stations clearly...
Rangkaian Neon Emergency Light Battery 6 volt marommuhammad 8:16 AM 0 comments Neon Emergency Light Battery 6 volt This circuit is IC controlled emergency light. This series of automatic switching-on of the light on mai...
Rangkaian USB Power Boster (USB Adaptor ) marommuhammad 6:10 AM 0 comments USB Power Boster (USB Adaptor ) USB can be configured for connecting several peripheral devices to a single PC, Since a PC can supply only a...
Rangkaian Control Relay Menggunakan InfraRed marommuhammad 2:44 PM 0 comments Control Relay Menggunakan InfraRed Normally, home appliances are controlled by means of switches, sensors, etc. However, physical contact wi...
Video Lecture Series on Robotics-Technologies in Robots and Industrial Robots marommuhammad 5:47 PM 0 comments Lecture Series on Robotics by Prof.C.Amarnath, Department of Mechanical Engineering,IIT Bombay. For more details on NPTEL visit http://nptel...
Rangkaian Delay Speaker Sederhana marommuhammad 12:38 PM 0 comments Rangkaian Delay Speaker This is scircuit which I built to one of audio amplifier projects to control the speaker output relay. The purpose...
Regulator 5 volt Meggunakan IC 7805 marommuhammad 10:12 AM 0 comments Regulator 5 volt IC 7805 The IC 7805 provides circuit designers with an easy way to regulate DC voltages to 5v. Encapsulated in a single chi...
12 Volt Hifi Power Amplifier marommuhammad 10:05 AM 0 comments Rangkaian 12 Volt Hifi Power Amplifier This is circuit amplifier contains only an op-amp and four transistors (easily available from your ...