Solar Roller marommuhammad 10:24 AM 0 comments My SURYA I presented at NEXUS-2009. I used zener diode solar engine circuit.Machine Parts:Zener Diode Solar engine circuit with 4700uF capac...
DIODA marommuhammad 7:34 AM 0 comments Komponen elektronik yang berfungsi sebagai alat untuk membatasi arah pergerakan arus listrik, dimana dioda hanya mengijinkan arus listrik un...
PC Rs232 interface for Hygro-Thermo 433 MHz remote sensor marommuhammad 8:30 PM 0 comments How to build electronic project that receive data from weather sensor? this Telemetering Project could help you. By using Serial interface o...
3D Electronics Design marommuhammad 8:42 AM 0 comments I just found a new thing to play with, 3D Electronics Design. I have seen some great 3D images of electronics component design for sometimes...
Things to do marommuhammad 4:47 PM 0 comments There are requests from readers as the following: 1. Complete project of the GPS clock 2. Adding calendar to my Digital Clock 3. Full functi...
2-digit BCD to decimal conversion marommuhammad 8:31 PM 0 comments Now, I'm working on the full feature clock using DS1307. In the clock, I use many BCD to decimal (bcd2dec) and decimal to BCD conversion...
Atmel's XMEGA MCU Awarded Product of the Year marommuhammad 7:57 AM 0 comments Atmel announced its industry leading XMEGA microcontroller was awarded the 2008 Product of the Year by Electronic Products' Magazine ....
Electronic Tools : Weller WLC100 Soldering Station marommuhammad 8:09 PM 0 comments Soldering Iron is a must have tool for electronic engineer or Hobbyist. Choosing good soldering iron can make your electronic project desi...
SOLAR SELL marommuhammad 5:59 AM 0 comments Sel surya pada dasarnya adalah suatu elemen aktif yang mengubah cahaya matahari menjadi energi listrik. Indonesia sendiri merupakan negara y...
Square Wave output from DS1307 marommuhammad 7:51 PM 0 comments For the clock that uses DS1307 RTC chip, I want a blinking led for indication of second. So, I have placed a resistor and an LED to pin 7 (S...
Microcontroller Based Remote Sensing System marommuhammad 10:58 AM 0 comments PageAlert is a flexible remote sensing platform connected to a data recording and alarm system . It is based on an MC13192 SARD board. This...
Microcontroller Based Motorcycle marommuhammad 11:52 PM 0 comments A 13192-EVB serves as the basis to test a piezoelectric vibrating gyroscope-based balancing system . Replacing the original radio controller...
A Simple Clock using DS1307 + PIC16F877A marommuhammad 10:56 AM 1 comments Even I have posted about " DS1307 + PIC16F877A ", I didn't have chance to make a real prototype of the clock. I have done only...
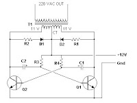
Rangkaian Inverter 12 - 220 Volt marommuhammad 8:14 AM 0 comments Pengertian Inverter Inverter is a series of functions to change the dc voltage into ac voltage. One of the purposes inverter that is popul...
PENGERTIAN DAN JENIS SENSOR marommuhammad 4:43 AM 0 comments Sensor adalah peralatan yang digunakan untuk merubah suatu besaran fisik menjadi besaran listrik sehingga dapat dianalisa dengan rangkaian ...
OSILATOR KRISTAL marommuhammad 7:23 AM 0 comments Dengan menambahkan gerbang logika (IC TTL), sebuah rangkaian osilator kristal akan memberikan kinerja yang lebih baik Ada dua jenis rangka...
Home Security System Alarm marommuhammad 4:44 AM 0 comments Another home security system ensures peace of mind. Based on the MC13192 SARD board, the system uses wireless sensors to monitor the garage...